- 多臂星型聚合物及嵌段共聚物的受限结晶
- 碳纳米管的改性、组装及高性能杂化体系的研究
- 界面与多组份多相高分子体系的相互作用及其诱导相结构研究
- 高强度物理交联水凝胶的制备
- 多单体熔融接枝聚烯烃的反应机理及其反应共混研究
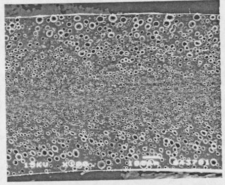
界面与多组份多相高分子体系的相互作用及其诱导相结构研究
近年来,我们在高分子多相多组分材料的相结构形态调控方面作了大量的工作。研究中发现,对适当的高分子共混物进行适当的热处理后,分散相粒子在基体中保持微分散不变,而接近表面粒径逐渐变大,且分散相分子由共混物内部向表面迁移,呈粒径和浓度的梯度形态。该项研究,提出了一种崭新的高分子梯度功能材料的制备方法。所谓功能型梯度材料,是八十年代后期以来,在日本及欧洲出现了一个材料设计的新概念,是通过特殊手段将不同的原子或分子进行混杂,使两种材料的组分、结构由材料内部至表面呈梯度变化,以达到材料性能梯度化的目的。既保持混合后材料的整体力学性能,又最大限度地发挥二种材料的各自优异特性。

Fig.1 Gradient Phase Morphology formed in Polymer blends
高分子共混物的梯度化是一崭新的课题,如何正确认识和有效地控制梯度形态的产生和发展即一组分高聚物在另一高聚物中的定向扩散及表面析出问题,内容涉及高分子多相多组分体系,高分子动力学、表面及界面以及成型加工等诸多高分子科学中的前沿领域。